Node-RED - Basteln mit dem Raspberry Pi
"Versuch macht klug..."
Weiter >> << Zurück
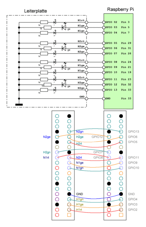
Für den Nachtbetrieb mussten bisher nur die gelben LEDs verdrahtet werden. Nun kommen alle roten und grünen Anzeigen hinzu.
In Arbeitsschritt 2 erfolgt die Ablaufplanung in Form eines Impulsdiagramms.
Hinweise: Bilder und Screenshots selbst erstellt Grafiksymbole aus openclipart.org nach Creative Common Zero 1.0 Public Domain License