Elektrotechnik
Die folgenden Tools sind vor allem für Grafiken und
Kostruktionen in der Elektrotechnik und Elektronik gut zu verwenden.
Bei
sPlan und Lochmaster (je 49,90 €) handelt es sich um lizenzpflichtige Programme
der
Fa. ABACOM, KiCad ist
frei verfügbar. Unten sind einige Anwendungsbeispiele abgebildet.
sPLan - Stromlaufplan zeichnen

Lochmaster - Erstellung einer Labor-Leiterplatte

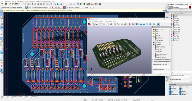
KiCAD ist ein umfangreiches Leiterplatten-Konstruktionsprogramm, mit dessen Daten industriell gefertigte Leiterplatten direkt bei Herstellern bestellt werden können.

