Experimentier-Leiterplatte mit ESP32MCU
Die Leiterplatte mit dem Mikrocontrollerboard ESP32 soll erst gefertigt werden, wenn die meisten Funktionstests der Ein- und Ausgabeplatinen abgeschlossen sind. Damit können eventuelle Anpassungen noch vorgenommen werden. Ein Bestückungsplan mit der ESP32MCU wird erstellt, damit eine Verkabelungsgrundlage für die Tests besteht.
Die vorab notwendigen Testschaltungen werden mittels provisorischer Breadboardverkabelung durchgeführt.
Auch zur Festlegung der Pinbelegung der Schnittstellen, wird bereits im Vorfeld die MC-Platine (beispielhaft eine ESP32MCU) mit dem Leiterplatten-Layoutprogramm geplant.
Leiterplattenentwurf
Die folgende Abbildung zeigt die zweite Version der Leiterplatte. Zunächst war das MCU-Board um 180° gedereht angeordnet. Dadurch wären jedoch sehr viele Drahtbrücken zur Anschaltung der Schnittstellen für Eingabe- und Ausgabe-Leiterplatten notwendig gewesen. AUs diesem Grund wurde die Leiterplatte in Version 2 komplett überarbeitet:

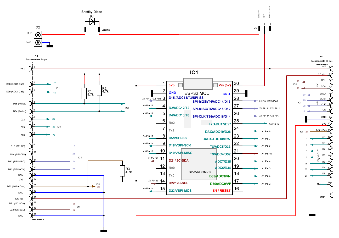
Das ESP32-NodeMCU-Modul in der 30Pin-Version soll möglichst vollständig ausgenutzt werden. Das Datenblatt des Mikrocontrollerborards zeigt die wichtigsten Eigenschaften, die in folgender Pinbelegung ( ) auf der Experimentierplatine umgesetzt wurden. Angegeben und für die spätere Programmierung wichtig sind die virtuellen Pinbezeichnungen, z.B. D21, nicht die physikalischen Pinnummern.
-
4x Digitale Eingänge:
D0 IN (26), D1 IN (25), D2 IN (33), D3 IN (34), D4 IN (35) -
2x AD-Wandler-Eingänge
ADC0 IN (36), ADC3 IN (39) -
7x Digitale Ausgänge (maximaler Ausgangsstrom IOH = jew. 40 mA, IOL = jew. ca. 29 mA, Gesamtstrom max. 1,1 A)
D0 OUT (12) -
Bussysteme:
-- OneWire: (32), (3V3), (GND)
-- SPI: CS (15), CLK (14), MISO (12), MOSI (13)
--I2C: I2C SCL (22), I2C SDA (21) -
Besonderheiten:
- D3 IN und D4 IN müssen mit einem externen Pullup-Widerstand beschaltet sein, da intern keine solcher Widerstand zugeschaltet werden kann! Für ADC0 IN und ADC3 IN gilt dies ebenso, falls die beiden Eingänge statt zur AD-Wandlung als normale digitale Eingänge beschaltet werden sollen!
- D0 OUT ist identisch mit der OnBoard-LED des ESP32MCU-Moduls.
- Die Spannungsversorgung darf entweder vom USB-Anschluss oder über den Pin Vin (+5 V) erfolgen! Der Pin 3V3 ist ein Ausgang mit dem externe Sensoren versorgt werden können.
Der folgende Leiterplattenausschnitt zeigt die geplante
Belegung der MCU-Pins.
Stromlaufplan
Der endgültige Stromlaufplan wird zu Dokumentationszwecken angefertigt.

